[Get 40+] 3 Phase Motor Wiring Diagram Star Delta

Get Images Library Photos and Pictures. Diagram Motor Star Delta Wiring Diagram Full Version Hd Quality Wiring Diagram Sunmoonwiring 8ktv Fr Star Delta Control Wiring Diagram Images Diagram 3 Phase Delta Motor Wiring Diagram Full Version Hd Quality Wiring Diagram Humandiagrams Godsavethekitchen Fr Star Delta Starter Y D Starter Power Control Wiring Diagram

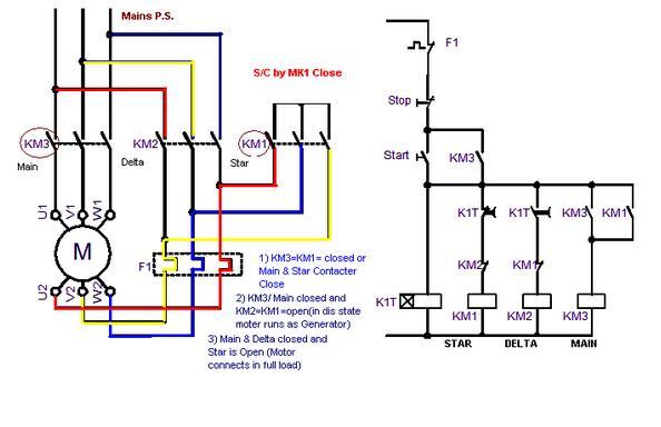
Star delta starter wiring diagram this post is about the main wiring connection of three phase motor with star delta starter and control wiring diagram of star delta starter. Automatic star delta starter with timer for 3 phase ac motors.

. Star Delta Starter Y D Starter Power Control Wiring Diagram Diagram Star Delta Wiring Diagram Electrical Full Version Hd Quality Diagram Electrical Ehrdiagram11 Itwin It Star Delta Wiring Diagram Android Apps Appagg

Diagram Wiring Diagram Star Delta Bintang Segitiga Full Version Hd Quality Bintang Segitiga Biblicalsymbolsdiagrams Mami Wata Fr Diagram Wiring Diagram Star Delta Bintang Segitiga Full Version Hd Quality Bintang Segitiga Biblicalsymbolsdiagrams Mami Wata Fr

Diagram Wiring Diagram Star Delta Bintang Segitiga Full Version Hd Quality Bintang Segitiga Biblicalsymbolsdiagrams Mami Wata Fr A star delta starter is a type of motor starter which runs 3 phase motor in star in starting time.

Diagram Wiring Diagram Star Delta Bintang Segitiga Full Version Hd Quality Bintang Segitiga Biblicalsymbolsdiagrams Mami Wata Fr

. A 8 pin timer are used. Finally i get this ebook thanks. For star delta staterthe motor connection must have 6 cables from control panel and 6 terminals at induction motor u1u2v1v2w1w3to wiring the motor connection for star delta starterthe important thing that we must fully understand is about the basic of star delta magic triangle.

Click on the. Wye start delta run motor wiring diagram star delta starter will always work over with your 5hp above rated motors. And when the motor start after some time its.

Arus listrik akan mengalir terlebih dahulu pada nc k3 sebelum masuk koil k2 begitu juga sebaliknya. As we have already shared the star delta y d 3 phase motor starting method by automatic star delta starter with. Home contact dmca.

Star delta connection diagram and working principle descriptions. Our library is the biggest of these that have literally hundreds of thousands of different products represented. Now in the below diagrams three phase motor will rotate in two directions viz forward and reverse.

Three phase motor connection stardelta y d reverse and forward with timer power control diagram as we have already shared the starting method of three phase motor by star delta starter with timer circuit power and control circuits. For three phase motor we use the direct online starter but mostly for small three phase motor. What i have given in this wiring diagram the same will be used in many industrial.

To get started finding single phase motor wiring diagram star delta diagram files free downloads you are right to find our website which has a comprehensive collection of manuals listed. Hence the motor is subjected to the full voltage of the. A dual starter connects the motor terminals directly to the power supply.

But high load 3 phase motor we use the star delta starter for motor control. Star delta wiring diagram electrical engineering updates. Sebagai finalisasi wiring diagram rangkaian star delta ini maka saya tambahkan nc pada k2 dan k3 yang saling bertautan pada masing masing kontaktornya.

Assortment of wye start delta run motor wiring diagram. Here will see the practical star delta starter wiring diagram. In this tutorial we will show the star delta y d 3 phase induction ac motor starting method by automatic star delta starter with timer with schematic power control and wiring diagram as well as how star delta starter works and their applications with advantages and disadvantages.

The on delay timer diagram is also shown in the diagram. Hal ini semata mata untuk menghindari terjadinya kedua kontaktor itu bekerja secara bersamaan bila terjadi hubung singkat yang bisa. Wye start delta run motor wiring diagram ms3 mega wiring diagram on hyosung wiring diagram wire center u2022 rh daniablub co wye start delta run wiring diagram air pressor delta and wye.

Diagram Reversing Star Delta Motor Control Wiring Diagram Pdf Full Version Hd Quality Diagram Pdf Samarthajobs Caraman Rugby Fr Diagram Reversing Star Delta Motor Control Wiring Diagram Pdf Full Version Hd Quality Diagram Pdf Samarthajobs Caraman Rugby Fr

Electrical Installation Basic Vocational Knowledge 7 Mounting And Connection Of Motors 7 4 Star Delta Start Of Three Phase Motors Electrical Installation Basic Vocational Knowledge 7 Mounting And Connection Of Motors 7 4 Star Delta Start Of Three Phase Motors

Diagram Wiring Diagram Star Delta Bintang Segitiga Full Version Hd Quality Bintang Segitiga Capcengineering Daudet Immobilier Fr Diagram Wiring Diagram Star Delta Bintang Segitiga Full Version Hd Quality Bintang Segitiga Capcengineering Daudet Immobilier Fr

Star Delta With Timer Wiring Diagram Star Delta Connection For Motor Adeel Akbar Adeel Mughal Youtube Star Delta With Timer Wiring Diagram Star Delta Connection For Motor Adeel Akbar Adeel Mughal Youtube

A Star Delta Wiring Diagram Switch Letter Sign Wiring Diagrams Autostereo Diau Tiralarc Bretagne Fr A Star Delta Wiring Diagram Switch Letter Sign Wiring Diagrams Autostereo Diau Tiralarc Bretagne Fr

Wiring Diagram Star Delta For Android Apk Download Wiring Diagram Star Delta For Android Apk Download

Diagram Www Star Delta Wiring Diagram Com Full Version Hd Quality Diagram Com Nidiagram1h Centrostudigenzano It Diagram Www Star Delta Wiring Diagram Com Full Version Hd Quality Diagram Com Nidiagram1h Centrostudigenzano It

Star Delta Starter Y D Starter Power Control Wiring Diagram Star Delta Starter Y D Starter Power Control Wiring Diagram

Diagram Wiring Diagram Star Delta Bintang Segitiga Full Version Hd Quality Bintang Segitiga Tedswiringsvc Cometacomunicazioni It Diagram Wiring Diagram Star Delta Bintang Segitiga Full Version Hd Quality Bintang Segitiga Tedswiringsvc Cometacomunicazioni It

Using Star Delta Motor Control With Circuit Diagrams Turbofuture Technology Using Star Delta Motor Control With Circuit Diagrams Turbofuture Technology

Diagram Wiring Diagram For Motor Starter 3 Phase Full Version Hd Quality 3 Phase Ongoingwiring Mandigotte Fr Diagram Wiring Diagram For Motor Starter 3 Phase Full Version Hd Quality 3 Phase Ongoingwiring Mandigotte Fr

Star Delta Wiring Diagram Android Apps Appagg Star Delta Wiring Diagram Android Apps Appagg

Star Delta Control Wiring Diagram Images Star Delta Control Wiring Diagram Images

1 1

Using Star Delta Motor Control With Circuit Diagrams Turbofuture Technology Using Star Delta Motor Control With Circuit Diagrams Turbofuture Technology

Star Delta Control Wiring Diagram Images Star Delta Control Wiring Diagram Images

Diagram Star Delta Starter Control Wiring Diagram With Timer Filetype Full Version Hd Quality Timer Filetype Schematicswayl Helene Coiffure Rouen Fr Diagram Star Delta Starter Control Wiring Diagram With Timer Filetype Full Version Hd Quality Timer Filetype Schematicswayl Helene Coiffure Rouen Fr

Star Delta Starter Y D Starter Power Control Wiring Diagram Star Delta Starter Y D Starter Power Control Wiring Diagram

Wiring Diagram Star Delta For Android Apk Download Wiring Diagram Star Delta For Android Apk Download

Diagram Wiring Diagram For A Star Delta Motor Full Version Hd Quality Delta Motor Diagrammu Finucane De Diagram Wiring Diagram For A Star Delta Motor Full Version Hd Quality Delta Motor Diagrammu Finucane De

Star Delta Starter Motor Starting Method Power Control Wiring Star Delta Starter Motor Starting Method Power Control Wiring

Semi Automatic Star Delta Motor Starter Wiring Diagram Without Timer Star Delta Starter Youtube Semi Automatic Star Delta Motor Starter Wiring Diagram Without Timer Star Delta Starter Youtube

Diagram Siemens Dol Starter Wiring Diagram Full Version Hd Quality Wiring Diagram Kreisdiagramm Biennaleangelogarofalo It Diagram Siemens Dol Starter Wiring Diagram Full Version Hd Quality Wiring Diagram Kreisdiagramm Biennaleangelogarofalo It

Star Delta Starter Y D Starter Power Control Wiring Diagram Delta Connection Electrical Circuit Diagram Electrical Projects Star Delta Starter Y D Starter Power Control Wiring Diagram Delta Connection Electrical Circuit Diagram Electrical Projects

Ot 7621 Star Delta Wiring Diagram On Star Delta Motor Starter Wiring Diagram Wiring Diagram Ot 7621 Star Delta Wiring Diagram On Star Delta Motor Starter Wiring Diagram Wiring Diagram

Diagram Wiring Diagram Star Delta Bintang Segitiga Full Version Hd Quality Bintang Segitiga Tedswiringsvc Cometacomunicazioni It Diagram Wiring Diagram Star Delta Bintang Segitiga Full Version Hd Quality Bintang Segitiga Tedswiringsvc Cometacomunicazioni It

Diagram Automatic Star Delta Control Wiring Diagram Full Version Hd Quality Wiring Diagram Nidiagram Steir Maree Fr Diagram Automatic Star Delta Control Wiring Diagram Full Version Hd Quality Wiring Diagram Nidiagram Steir Maree Fr

Comments

Popular posts from this blog

[View 34+] Pittura Effetto Marmo Lucido

Branchement Interrupteur Va Et Vient A Voyant, P_20171112_182518.jpg